Опис
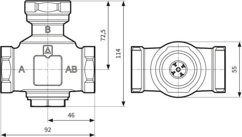
Температурний клапан ATV 333, DN25, Rp1″, 45°C, Kvs 9 м3/год AFRISO 1633310 AFRISO Температурний клапан ATV 333, DN25, Rp1″, 45°C, Kvs 9 м3/год Температурний клапан ATV, встановлений у зворотній лінії котла, захищає твердопаливний котел від корозії, викликаної занадто низька температура води, що повертається до джерела тепла.Підтримка температури зворотної лінії на постійному рівні, зазначеному виробником котла, дозволяє захистити його від конденсації вологи на водяній сорочці та негативних процесів забруднення топки смолою та сажею.Відповідно висока температура зворотної лінії подовжує термін служби котла та підвищує його ефективність.Температурні клапани ATV також можуть працювати як розподільні клапани. Температурні клапани ATV повинні встановлюватися в кожній установці з буфером тепла (накопичувачем) і рекомендовані для кожного твердопаливного котла. Термоклапи ATV виготовлені з латуні і мають внутрішню різьбу.У клапані є термостатичний елемент, який регулює температуру води, що повертається в котел, і підтримує її на постійному мінімальному рівні.Номінальна температура клапана визначає температуру відкриття, при якій порт А починає відкриватися термостатичним елементом.Положення монтажу кранів ATV будь-яке.Застосування клапанів ATV не вимагає використання додаткових регулюючих клапанів на з’єднаннях.Конструкція температурних клапанів ATV дозволяє замінити термостатичний елемент без необхідності демонтажу клапана з установки. ТЕХНІЧНІ ДАНІ: DN: 25 Kvs: 9 м³/год Підключення: Rp1″” Максимальна температура: 95°C Максимальний тиск: 10 бар Номінальна температура: 45°C https://terme.pl/data/gfx/pictures/large/0/6/160_1.jpg Тип продукту: КЛАПАН Номінальна температура: 45°C Максимальний тиск: 10 бар Максимальна температура: 95°C З’єднання: Rp1″” Значення Kvs: 9 м³/год DN: 25 Тип: 3-ходовий Код виробника: 1633310




