Всього: 7,046.88
Всього: 7,046.88

Лінійний злив без решітки Geberit (154.152.00.1)

8,236.10

В наявності

12 місяців гарантії
Артикул: ID produktu:3227642 Категорія:

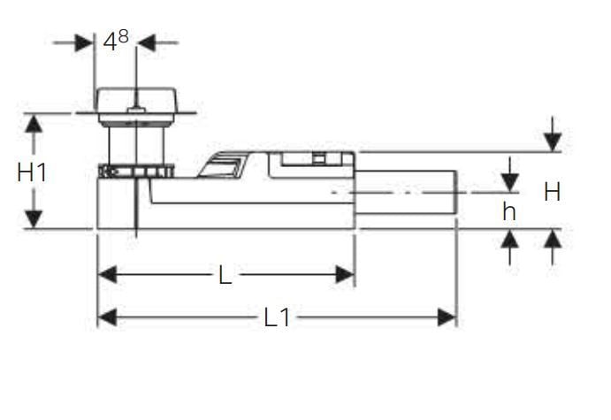
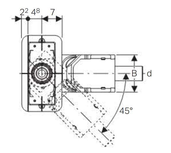
Опис

Лінійний злив H65 для душу (154.152.00.1) Застосування: для установки всередині будівель для відведення води з лінійних зливів серії CleanLine в підлогу з шарами висотою 65-90 мм для використання з шаровими ущільненнями для відведення стоків з однієї душової лійки для монтажу з низькою висотою шару підлоги Характеристики: висота сифона: мінімальна висота стяжки 30 мм з входом 65 мм, ущільнювальна тканина, попередньо встановлена по всьому колу для з’єднання ущільнювальних систем, базовий елемент EPS для акустичної ізоляції та встановлення сифона. Інформація про продукт: потужність: 0,4 л/с Розміри (див. фото): d: 40 мм DN 40 B: 13 см H: 6,5 см H1: 6,5-17,5 см h: 3,2 см L: 30 см L1: 35,8 см